
If a given amount of mass travels down the hill, say one truck load, the energy lost depends on the height of the hill; the higher the hill the more energy is lost. The height is measured vertically from the top to the bottom of the hill. |
If a given amount of energy flows from a battery, say one coulomb, the energy lost depends on the voltage of the battery; the greater the voltage the more energy is lost. Voltage (properly called potential difference) is measured between two places in the circuit. |
The potential difference
(voltage) is measured between two points on the circuit with a voltmeter. It is really
measuring the loss of energy of the electricity between one point and the
other.
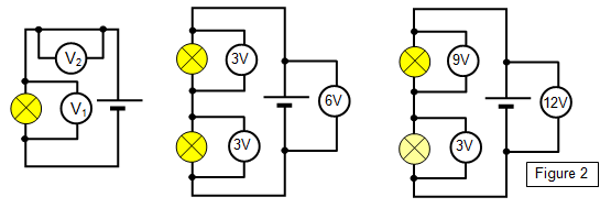
This is shown by the diagrams in Figure 2. The reading of V1 in the first
circuit shows how much energy is lost in the bulb - it is turned into heat and light. The
reading of V2 will be 0, as almost no energy is lost in the connecting wires.
In the
second circuit the battery is supplying energy to two bulbs. If the bulbs are identical the
energy lost in one will be the same as the energy lost in the other.
Using the figures in
the diagram there will be a 3 V drop across each bulb.
In the third circuit one bulb is
much more powerful than the other, there is much more energy used in it and so the voltage
drop across it is large compared with the other bulb.
